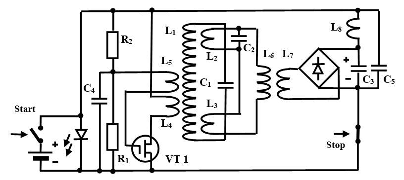
Hi researchers, I would like to introduce you to an interesting scheme that could be overunity device.
The scheme is of the English researcher with the nikname "RomeroUK", The name of the device is "Green Path"( the path we all looking for..
).
IT'S RIGHT THERE IN FRONT OF YOUR EYES! John BEDINI




