Replication Don Smith's Device No. 9

  • 784 Views
  • Last Post 21 hours ago
ScientificVoyager posted this 3 weeks ago

Hi everyone. 

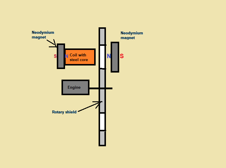
For some time now, I have been interested in Don Smith's replica No. 9. There is not much information about this device, but I decided to make a small replica of it.

Any information about this device would be greatly appreciated.

I have conducted some small tests and the results are really interesting because I managed to light a small bulb with two small coils, magnets and a steel disc with holes.

When powering the motor rotating the disc and connecting the load to the coils, the motor driving the steel disc did not feel any resistance while the bulb was lit, with no change in current consumption. That is why I found the effect very interesting and decided to do something more meaningful.

I am in the process of gathering materials and will share my observations with you from time to time.
In general, I have made a wooden structure to put it all together. I commissioned a company that laser cuts such things to make metal discs. The first discs will be made of ordinary steel. I designed the coil spools in FreeCad and they are being printed. Now I am waiting for a delivery of silicon sheet metal to make the coil cores.

Has anyone attempted to investigate this effect?

The future belongs to those who can imagine it. N.Tesla

Jagau posted this 22 hours ago

Hello scientificVoyager, very nice work you are doing.

 Perhaps this can help with your project.

In Rick Friedrich's book, page 102, there's an image that clearly shows the position of the coils and holes.

He claims it uses magnetostrictive material, which is interesting in this image –

 look at how the two coils are connected! in opposite phase.

Jagau

What we consider to be empty space is merely a manifestation of unawakened matter. N.T.

ScientificVoyager posted this 22 hours ago

Quoting:Jagau

Hello scientificVoyager, very nice work you are doing.

 Perhaps this can help with your project.

In Rick Friedrich's book, page 102, there's an image that clearly shows the position of the coils and holes.

He claims it uses magnetostrictive material, which is interesting in this image –

 look at how the two coils are connected! in opposite phase.

Jagau

Hello Jagau.
I keep staring at this photo, trying to figure out the significance of the individual components.
Coils with opposite phases combined with a rare-earth metal, such as Terfenol-D, could produce the desired effect. I'm wondering why there's no diode bridge at the coil output; could it be that the output is DC?
Magnetostriction is the phenomenon of distortion in ferromagnets (materials exhibiting spontaneous magnetization) under the influence of a magnetic field. The opposite effect to magnetostriction is the Villari effect, which is a change in the magnetization of a material due to a change in its external dimensions.
Symmetrical phenomena are used in transducers, sonars, ultrasonic cleaners, etc.

Schematic diagram of a transducer with a core made of magnetostrictive material.

 

Materials with incomparably high magnetostriction are called GMM (Giant Magnetostrictive Materials). At 0.2%, they can withstand loads of 500-600 MPa. What distinguishes them from conventional materials is their very fast response time to a magnetic signal. It is understandable that to achieve significant magnetostriction, a material with a high response of its magnetic domains to the effects of a magnetic field must be used.
Therefore, the development of a new group of special materials based on rare earth elements such as terbium (Tb) and dysprosium (Dy) proved to be a breakthrough. The general chemical formula of GMMs, known as Terphenols, is TbxDy1-xFey. The most popular and currently most widely used rare earth alloy with iron is the alloy with the composition: Fe = 67.5%, Tb = 9.6%, Dy = 22.9% (Terphenol-D).

The future belongs to those who can imagine it. N.Tesla

Jagau posted this 21 hours ago

Look at what Don Smith answered when people asked him the question.

Hi Don,
Is it possible that you vary the speed of the motor to find/make the two coils and the two Caps. all in series (series LC circuit) resonant thereby increasing their efficiency/output? It would seem that a full wave bridge diode would be necessary to keep polarity correct into the battery/load if DC wanted.
Ben
 
You are correct . What you see is the simplest possible drawing . I assume a knowing person would know the difference . REGARDS, Don Smith
 
You are correct . The variable speed switch is from an automobile dimmer . The drawing is the simplest possible and is therefore incomplete . The basic idea is clearly shown . REGARDS , Don Smith
 
 
Don, et al
 
This has some similarities with the Ecklin SAG generator  (http://www.montalk.net/ecklin/ecklin.html).
 
You seem to be using the rotating wheel simply as a magnetic field blocker. Correct? What materials are you using as the blocker? Is it possible to use a flux carrier like METGLASS instead of a flux blocker?
 
Interesting stuff. I want to build an Ecklin SAG sometime, but may try yours instead.
 
Roland
 
 
My “Rotating Separator Coil” one of a dozen related projects I did. It’s my improvement over the Henry Ford Generator Starter Motor . The Aircraft Industry has starter generators in mass production which produce excess energy and with minor change are self sustainable ” 60 Kilowatts and upwards of excess energy” . Thanks for the comment . REGARDS, Don Smith
 
 
But you can´t get KWatts out of it, when you just use a simple milliWatts motor to drive the shield ! That just does not work.  Has anyone from this list seen any of Don´s machines work ?
 
As Don was already at some conferences also at Bruce Perrault´s conference lately there must be some people out here, who have seen his presentation. Please come forward and speak out. Thanks.
 
Stefan.
 
P.S: To me it sounds like Dom is only here to sell his expensive CDs with no real value…
 
 
 
The small millwatt motor shown powers only the rotating disk . The output is from the magnetic variation resulting from the shielding . Which is quite large . REGARDS , Don Smith

 Jagau

What we consider to be empty space is merely a manifestation of unawakened matter. N.T.

ScientificVoyager posted this 21 hours ago

Quoting:Jagau

This has some similarities with the Ecklin SAG generator  (http://www.montalk.net/ecklin/ecklin.html).

 

Jagau

Thank you for the valuable information.

The future belongs to those who can imagine it. N.Tesla

Close