FInally after many years of long wait and arguments on OU, etc etc bunk decides to release the secrets.. ENJOY (Download video copy / materials before it vanishes from internet) ..Load up your kachers 😀
"Bunk" Kapanadze Variant Device Compilation, Real Deal, With Schematics.. (schematic at end of this video)
Download and mirror as much you guys can from this channel - https://www.youtube.com/@merlit1962/videos
watch all vids from merlit1962, shorts, Posts, Community, there is gold everywhere on his channel. He could have so easily not given us anything, but gave us everything
---
Successful Bunk Replication, within days of released schematics, MerLit1962 MIRROR
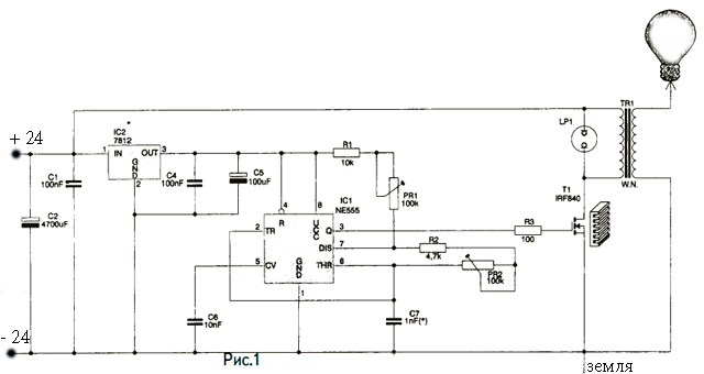
But essentially, it's a relatively small, simplified Kapanadze transformer. The secret is the use of simple aluminum layers inside the coil body, 2 split foils, for both halves of the form, the lower end foil is hit with a certain Positive pulse train, the first winding is held Negative, while the upper foil becomes INTENSELY active, and having an output on the heavy winding. Not a primary to secondary induction, but a rapid changing of voltages between the upper and lower foils, with a 50 hz interruption circuit. Rather than having to move massive currents to induce an output... he is alternating Voltages instead. Bunk has a small transformer like this, doing 4 kw off the 9v. Must see. I will try to upload more too for preservation here.







